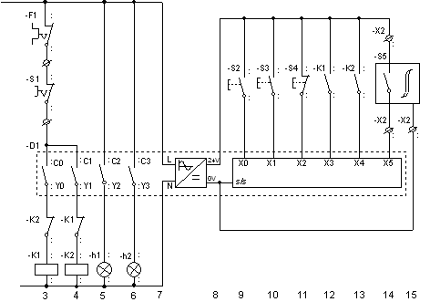
KOBLING AV PLS- ANLEGGET

 

 

Vi har bygget en simulator med innganger og utganger for å kunne styre en dreieretningsvender til en motor. Inngang 5 på PLS- maskinen er koblet til en INITIATOR.

 

 

Hardware

Innganger

Utganger