| 
   INSTRUKSJONSLISTEPROGRAMMERING I instruksjonslisten forteller du PLS-
  maskinen hva den skal utføre. Du må bruke et konkret, og logisk språk. Når du
  skal forklare PLS- maskinen hvordan programmet skal fungere, må du være svært
  konkret. Maskinen utfører det som er logisk i forhold til den beskjeden som
  du har gitt. Dersom beskjeden din blir for komplisert, vil du siden finne
  noen verktøy som du kan bruke for å konkretisere dette.  | 
 ||||||||||
| 
   | 
  
   | 
  
   | 
  
   | 
 |||||||
| 
   FUNKSJONSPLAN  | 
  
   INSTRUKSJONSLISTE  | 
  
   TOLKNING AV LISTEN  | 
  
   LADDERDIAGRAM  | 
 |||||||
| 
   | 
  
   | 
  
   | 
  
   | 
 |||||||
| 
   
  | 
  
   | 
  
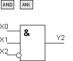
   LD   X0  | 
  
   Go  | 
  
   | 
  
   | 
  
   Hvis  | 
  
   X0  | 
  
   er på  | 
  
   | 
  
   
  | 
 
| 
   | 
  
   AND  X1  | 
  
   Go  | 
  
   | 
  
   | 
  
   og  | 
  
   X1  | 
  
   er på  | 
  
   | 
 ||
| 
   | 
  
   ANI  
  X2  | 
  
   Go  | 
  
   | 
  
   | 
  
   og ikke  | 
  
   X2  | 
  
   er på  | 
  
   | 
 ||
| 
   | 
  
   OUT  Y2  | 
  
   Go  | 
  
   | 
  
   | 
  
   Skal  | 
  
   Y2  | 
  
   gå på  | 
  
   | 
 ||
| 
   | 
  
   End  | 
  
   Go  | 
  
   | 
  
   | 
  
   Slutt  | 
  
   | 
  
   | 
  
   | 
 ||
| 
   | 
  
   | 
 |||||||||
| 
   | 
  
   | 
  
   | 
  
   | 
 |||||||
| 
   FUNKSJONSPLAN  | 
  
   INSTRUKSJONSLISTE  | 
  
   TOLKNING AV LISTEN  | 
  
   LADDERDIAGRAM  | 
 |||||||
| 
   
  | 
  
   | 
  
   | 
  
   
  | 
 |||||||
| 
   | 
  
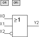
   LD X0  | 
  
   Go  | 
  
   | 
  
   | 
  
   Hvis  | 
  
   X0  | 
  
   er på  | 
  
   | 
 ||
| 
   | 
  
   OR X1  | 
  
   Go  | 
  
   | 
  
   | 
  
   Eller  | 
  
   X1  | 
  
   er på  | 
  
   | 
 ||
| 
   | 
  
   ORI X2  | 
  
   Go  | 
  
   | 
  
   | 
  
   Eller ikke  | 
  
   X2  | 
  
   er på  | 
  
   | 
 ||
| 
   | 
  
   OUT Y2  | 
  
   Go  | 
  
   | 
  
   | 
  
   Skal  | 
  
   Y2  | 
  
   gå på  | 
  
   | 
 ||
| 
   | 
  
   End  | 
  
   Go  | 
  
   | 
  
   | 
  
   Slutt  | 
  
   | 
  
   | 
  
   | 
 ||
| 
   | 
  
   | 
 |||||||||