|
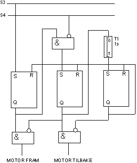
PROGRAM nr. 4 MOTSTRØMBREMSE Det
finnes forskjellige typer bremser som benyttes for elektriske motorer. Dersom
det dreier seg om å få en maskin til å stoppe momentant, kan man for eksempel
lage en motstrømsbremse. En slik bremse er bygget opp omkring en
dreieretningsvender som kopler motoren i revers i så lang tid som maskinen
trenger på å stoppe. Selve innstillingen av stopptiden justerer man når
programmet prøves ut på den virkelige maskinen. |
|
|
FUNKSJONSKJEMA. |
FUNKSJONSPLAN |
|
|
|