PROGRAM NR 3

DREIERETNINGSVENDER

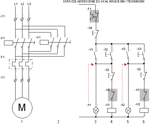
Tips.: Dreieretningsvender.

 

Du skal lage et program for en dreierettingsvender. For å få dette til, bør du først lese det som står om dreieretsningsvenderen i oppslagboka. Som utgangspunkt for programmet, skal du benytte det tradisjonelle strømveieskjemaet som er vanlig for en slik kopling.

 

 

 

 

 

TIPS:

 

1.

Når du studerer tegninga for den tavla du skal lage programmet på, vil du se at tre av disse bryterne er koplet inn i primærkontrollen. Derfor skal ikke disse bryterne være med i programmet ditt. Disse bryterne er markert i tegningen til venstre.

 

2.

Marker alle komponentene i strømsveiskjemaet med de faktiske adressene som disse bryterne er koplet til på PLS - maskinen din.

 

3.

Lag programmet for de to lampene først.

(Strømvei 3 og 4.)

 

4.

Bruk de utgangene som styrer lampene som startbetingelse for strømvei 4 og 6.

 

Svar til læreren