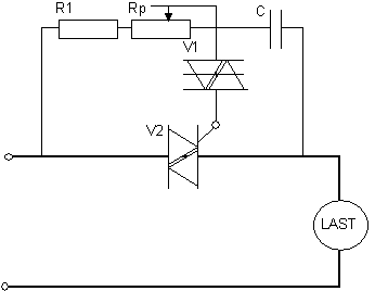
TENNKRETS MED DIAC
| 
   
  | 
  
   En DIAC er en komponent som
  brukes til å styre en TRIAC. Diacen
  virker slik at den sperrer helt til spenningen over den har nådd en bestemt
  verdi. ( for eksempel 36 V. ) Når denne spenningen er overskredet åpner
  komponenten helt, og slipper gjennom strøm. Diacen er en vekselstrømskomponent som
  virker begge veger.  Det er mulig å kjøpe en komponentpakke som inneholder både
  TRIAC og DIAC. En slik
  komponent kalles for QUADRAC.   |