| 
   INSTRUMENTKOBLINGER.  | 
 ||
| 
   1  | 
  
   MÅLING AV SPENNING.  | 
  
   | 
 
| 
   | 
  
   Når du stiller venderen på
  instrumentet til V, kan du måle spenninga mellom to poler.  På venderen kan du velge mellom AC (Vekselstrøm) og DC (likestrøm). Voltmeteret skal koples parallelt
  med den motstanden som du skal kontrollere spenninga over.  | 
  
   
  | 
 
| 
   2  | 
  
   MÅLING AV STRØM.  | 
  
   | 
 
| 
   | 
  
   Når du stiller venderen på
  instrumentet til A, kan du måle strømmen i en krets.  Amperemeteret skal koples i serie med den kretsen
  du skal måle. Det betyr at du vanligvis må åpne kretsen for å montere inn
  instrumentet. Dersom kretsen styres av en bryter, kan det være en god ide å
  koble instrumentet parallelt med bryteren.  Vanligvis bruker man en
  strømtang når man skal måle strøm.  | 
  
   
  | 
 
| 
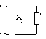
   3  | 
  
   MÅLING AV RESISTANS.  | 
  
   | 
 
| 
   | 
  
   Motstandsmåling foregår med
  Ohmmeter.  Ohmmeteret drives av et
  batteri som ligger inne i instrumentet. Derfor må hele kretsen koples fra
  strømkilden før instrumentet kan brukes. Glemmer man dette, er det fort gjort
  å ødelegge hele instrumentet.  | 
  
   
  | 
 
| 
   4  | 
  
   REGISTRERING AV FORBINDELSER.  | 
  
   | 
 
| 
   | 
  
   Dersom du skal måle om det er
  gjennomgang i en krets, er det vanlig å bruke en summer.
  Universalinstrumentet inneholder en slik summer, og denne avgir en
  sammenhengende hyletone når det er direkte forbindelse gjennom kretsen.
  Dersom denne forbindelsen inneholder en motstand, avgir summeren et kort pip. Summeren er et svært anvendelig
  verktøy. Den kan f.eks koples inn for å måle
  forbindelser over avstand.  | 
  
   
  |