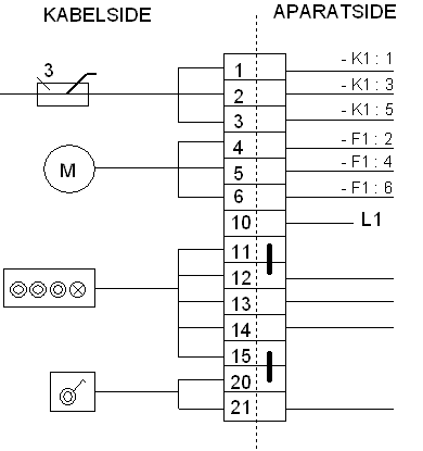
REKKEKLEMMER.

 

Rekkeklemmene har til hensikt å skap orden i anlegget. Disse skal i hovedsak fungere for å sikre effektiv og rask feilsøking. 

 

 

 

 

 

REGLER FOR KOBLING:

 

Tilførselskabelen kobles til klemme nr 1, 2, og 3.

 

Motorutgangen kobles til klemme nr 4, 5 og 6.

 

Rekkeklemmene fra nr 10 til nr 19 benyttes for eksternt styretablå.

 

Nødstoppbryteren kobles til klemme nr 20 og 21

 

KABELSIDE:

Her tillates bare en ledning tilkoplet pr. klemme.

 

APPARATSIDE:

Her tillates opp til 2 ledninger tilkoplet under en felles skrue.

 

LASKER.

Det brukes lasker der hvor det er nødvendig å lage forbindelser mellom to eller flere rekkeklemmer.