REFERANSER.

 

Ved hjelp av referansesystemet kan vi finne fram til en spesiell komponent som befinner seg et helt spesielt sted på en bestemt innretning i en stor bedrift.  Referansen kan fortelle hva komponenten skal brukes til, hvor i bedriften denne befinner seg, og hva slags komponent dette dreier seg om. Referansene skrives som en kode. Denne koden brukes på tegningene, og den kan skrives på kabler og ledninger ved bruk av spesielle merkesystem.

 

OVERORDNET REFERANSE.

Koden for den overordnede referansen blir utviklet for hver enkelt bedrift. Denne koden forteller hva en komponent blir brukt til, og hvor i bedriften den befinner seg.  Overordnede referanser markeres med tegnet =.

 

MONTASJEINNRETNING.

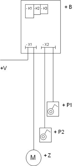
Forskjellige komponenter plasseres i forskjellige montasjeinnretninger. En del av koplinga befinner seg kanskje i et skap, og en anen del befinner seg kanskje i en styrepult.  Skapet og styrepulten er forskjellige montasjeinnretninger som vi bør markere på tegningene slik at det skal bli mulig å finne fram til komponenten i den virkelige bedriften.

 

 

 

 

Montasjeinnretningen markeres ved hjelp av kodesymbolet +, og en etterfølgende bokstav som markerer selve innretningen som komponenten er plassert inn i, og hvordan man kommer fram til denne innretningen. 

 

Rundt i anlegget blir det plassert forskjellige skap og bokser som inneholder elektriske komponenter.  Mellom disse boksene foregår det en kommunikasjon, slik at en bestemt tegning kan omfatte signaler fra flere bokser. Det er derfor viktig at den spesielle komponenten kan finnes i riktig boks.

 

For å identifisere bokser, bruker vi denne koden. (IEC)

 

 

KODE

MONTASJESTED

B

STYRESKAP, BETJENINGSKAP, O.L. DER ET ELLER FLERE OBJEKTER BLIR STYRT OG OVERVÅKET

D

DATAMASKIN

F

UTRUSTNING FOR FJERNKONTROLL

H

HØYSPENTFORDELING

K

KONTROLLUTRUSTNING

L

LIKESTRØMSFORDELING

P

STYREPULT (KONTROLLPULT)

Q

REGULATORSKAP

R

TAVLE ELLER SKAP MED STYREKONTAKTORER, RELEER, OG ANNET SOM BRUKES TIL STYRING OG TIL OVERVÅKNING.

V

VEKSELSTRØMSFORDELING

X

KOBLINGSBOKS, KOBLINGSSKAP, KOBLINGSSTATIV

Z

APPARATER SOM BEFINNER SEG UTE I PROSESSEN