KRAV TIL PRIMÆRKONTROLLEN.

 

Primærkontrollen er det kontrollnivået som styrer kontaktoren direkte. Dette kontrollnivået skal inneholde alle de viktige alarmene og vernene slik at vi kan være mest mulig trygge på at vernene virkelig virker slik som de skal. 

 

 

 

 

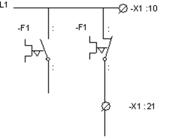
Kontaktene på motorvernbryteren skal alltid kobles øverst i styrestrømskjemaet.  NO -kontakten brukes til overvåking, og NC kontakten brukes til utkopling i tilfelle feil.

 

I vår bedrift er en utkopling forbundet med store kostnader. Vi spanderer derfor to rekkeklemmer, en på hver side av NC - kontakten slik at det skal være mulig å laske disse for å holde motoren i gang mens feilsøking pågår.  

 

 

 

 

 

Alle belastninger skal koples direkte mot en av fasene.  ( I tegningene tegnes denne fasen nederst. )

 

 

I TN -anlegg bruker vi N -lederen til denne fasen. I likestrømanlegg skal dette være minus -lederen.  Det er forbudt å kople inn noen brytere mellom denne fasen og belastningene.  Alle bryterne i anlegget skal koples mellom belastningene og motorvernet slik at en eventuell feilsøkning kan utføres raskest mulig.