TENNKRETS FOR TYRISTOR

 

 

 

 

 

 

 

 

 

 

 

 

 

 

 

 

 

 

 

 

 

 

 

 

1

 

 

2

 

 

3

 

 

 

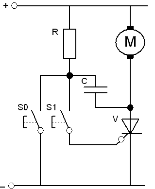
En tyristor er godt egnet som bryter i et likestrømnett. I denne koplinga må motstanden R være dimensjonert slik at gatestrømmen til tyristoren blir 20 mA. Når tyristoren er åpen, vil kondensatoren C lade seg opp.

 

Når bryter S1 betjenes, får tyristoren gatestrøm slik at denne kan åpne. Dermed starter motoren.

 

Når tyristoren åpner vil kondensatoren lade seg opp.

 

Når S0 betjenes vil kondensatoren lade seg ut. Denne utladningen skjer ved at kondensatoren setter opp en strømkrets fra den positive til den negative kondensatorplata. Denne strømmen vil måtte gå gjennom tyristoren i sperreretning.  Dette fører til at tyristoren blir stengt.