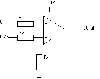
DIFFERENSIALFORSTERKER

 

 

 

 

 

 

 

 

 

 

Differensialforsterkeren registrerer spenningsforskjellen mellom U1 og U2.

 

 

R2 = R4

 

R1 = R3

 

 

 

 

 

 

Se operasjonsforsterkere