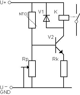
TRANSISTOR-SWITSJ

 

 

 

 

 

 

 

 

 

 

 

Kretsen konstrueres slik at Basestrømmen blir så stor at Transistoren åpner helt opp. Dermed kobler releet (K) til og fra, avhengig av f.eks. temperaturen.

 

Settpunktet for kretsen kan justeres ved hjelp av potensiometeret (Rp)

 

 

 

 

 

I denne kretsen er det satt inn en NTC-termistor som føler.  Denne føleren kan skiftes med andre følere som reagerer på andre ting. En LDR- motstand vil f.eks reagere på lys.