| 
   DIREKTE START  | 
 ||
| 
   
  | 
  
   1 2 3  | 
  
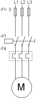
   Det startapparatet som bygges rundt en motor har vanligvis
  til hensikt å skulle dempe det strømstøtet som nødvendigvis må komme når
  motoren starter. Videre må startapparatet også kunne håndtere den energien
  som lasta trenger for å komme i bevegelse.    Når motoren koples direkte inn gjennom en enkel
  kontaktor får vi et maksimalt strømstøt, men også et maksimalt startmoment slik
  at starttiden blir kortest mulig. Dette startapparatet anbefales motorer opp
  til ca. 25 KW.   Sikringene har til oppgave å verne anlegget mot
  kortsluttning. Det termiske vernet skal verne ledningsanlegget og motoren
  mot overbelastning. Dersom dette stilles nøyaktig inn, vil det også kunne
  verne motoren og maskinen mot mekaniske feil. Ledningsanlegget dimensjoneres etter innstillingen
  på det termiske vernet.  | 
 
| 
   | 
  
   | 
  
   | 
 
| 
   
  | 
  
   | 
  
   STYRING MED NULLSPENNINGSUTLØSNING Nullspenningsutløsning brukes der hvor ukontrollert start
  av motoren kan medføre fare. (f.eks. ved dreiebenker, sageblad, etc.)  Ved PLS-kontrollerte anlegg bør man opprettholde
  sikkerheten ved å kople S1 som en NC kontakt, og holdekontakten på kontaktoren
  (13 og 14) til inngangene på PLS-maskinen. Eventuelle Nødstoppbryter og andre viktige vern
  skal bryte strømveien til kontaktoren direkte, og ikke programmeres på PLS.   | 
 
| 
   | 
  
   | 
  
   | 
 
| 
   
  | 
  
   | 
  
   AUTOMATISK GJENNOPPSTART. I enkelte tilfeller krever forskriftene at motorer
  starter opp automatisk dersom f.eks. strømmen har vært borte en kort stund.
  Dette kan medføre fare, og personsikkerheten må taes vare på ved bruk av
  skilt:  | 
 
| 
   
  | 
 ||