STJERNE- TREKANTSTARTER

 

 

 

 

 

 

 

 

 

 

 

 

 

 

Ved å starte motoren i stjerne, reduseres startstrømmen til 1/3 av normal startstrøm. Startmomentet reduseres tilsvarende, slik at motoren blir svært svak under startforløpet.

 

Y/d- startere kan benyttes som startapparat for mindre motorer

(opp til ca 8 KW) når motorene krever lav startenergi, og dersom disse skal koples til et svakt nett.

 

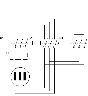
Det termiske vernet kan plasseres i faseledningen, og dette kan stilles inn på motorens normale fasestrøm i trekant. Denne plasseringen sikrer den beste beskyttelsen også i stjerne under oppstart.

 

Startapparatet var svært mye brukt fram til ca 1990. På den tiden gikk NVE ut i PARAGRAFEN og anbefalte at disse starterne ble tatt ut av bruk, og erstattet med direkte startapparater.  Startapparatet har nå historisk interesse, men det kan likevel anbefales for motorer som skal kjøres av et aggregat.

 

 

 

 

 

 

 

 

 

 

 

 

 

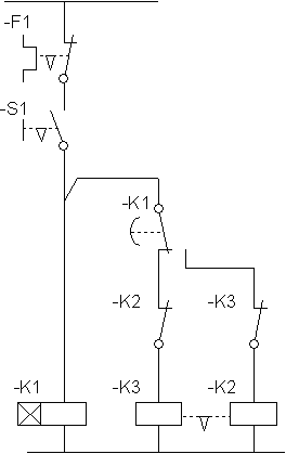
Primærkontrollen for starteren kan i sin enkleste form koples opp som på tegningen. Her er det vist både elektrisk og mekanisk kortsluttningsforsikring, samt en tidsforsinket hjelpekontaktblokk på kontaktor K1.

 

Dersom en slik vender skal styres av PLS er det normalt å bytte ut startbryteren S1 med den PLS- utgangen som skal styre motoren. Deretter bygges resten av startapparatet slik som på denne tegningen. Tilbakemeldingen til PLS-maskinen hentes da fra kontaktor K1.

 

Dersom kretsen skal koples med startknapp og stoppknapp bør holdekontakten hentes fra kontaktor K1.

 

 

 

 

 

Omkopling fra stjerne til trekant bør skje når motoren har nådd ca 80 % av fullt turtall.