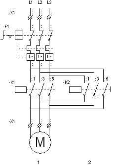
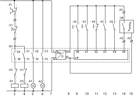
KOBLING AV PLS- ANLEGGET

 

 

 

Det PLS- anlegget som vi bruker til programmeringsøvelser i verkstedet, er bygget omkring en dreieretningsvender.