| 
   FORRIGLING MELLOM
  MOTORER.  | 
 |
| 
   
  | 
  
   
  | 
 
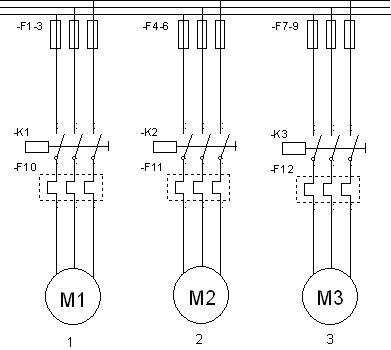
De tre
motorene i strømveiskjemaet er forriglet mot hverandre. Ved å studere tegningen
skal du kunne svare på spørsmålene.
| 
   a  | 
  
   Hvor
  mange kontakter av hver type (NC og NO) må det være på kontaktor K3 i denne
  koplingen?  | 
 
| 
   b  | 
  
   Disse tre
  motorene må startes i bestemt rekkefølge. Hvordan?  | 
 
| 
   c  | 
  
   Hva er
  forskjellen på de tre bryterne (S1, S4 og S7) i strømvei nr 4.  |