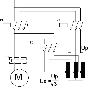
AUTOTRAFOSTARTER
| 
   
  | 
  
   Startstrømmen
  for de svært store motorene skaper vanligvis et problem. For å håndtere
  dette, er det mulig å bygge et startapparat som baserer seg på at vi reduserer
  spenninga inn på motoren under startforløpet. 
   Autotrafoens
  sekundærspenning er vanligvis redusert med kvadratroten av 3 i forhold til
  primærspenninga. (Motorens normale spenning.) Dette reduserer startstrømmen
  tilsvarende.  | 
 
| 
   
  | 
  
   Når
  motoren skal startes, legger man først inn kontaktorene K2 og K3. Motoren får
  da redusert spenning, og den begynner å gå rundt. Motorens
  turtall kan overvåkes av en rotasjonsvakt. 
  Når motoren kommer opp i ca 80 % av fullt turtall, kopler vakta
  transformatoren ut. Når
  transformatoren er ute, kan motoren koples direkte mot nettspenninga ved å
  legge inn kontaktor K1. Når
  stoppsignalet kommer, koples motoren fra nettet ved at kontaktor K1 legges
  ut. En
  motor av denne typen kontrolleres vanligvis av en PLS. Dersom motoren skal
  startes med belastning, bør den også utrustes med en differensialstarter.  |