| 
   BRUK AV
  MERKER. ( FLAGG)  | 
 |||
| 
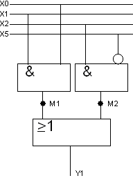
   FUNKSJONSPLAN  | 
  
   INSTRUKSJONSLISTE  | 
  
   LADDERDIAGRAM  | 
 |
| 
   | 
  
   | 
  
   | 
 |
| 
   
  | 
  
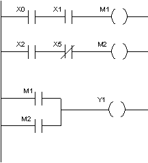
   LD  | 
  
   X0  | 
  
   
  | 
 
| 
   AND  | 
  
   X1  | 
 ||
| 
   OUT  | 
  
   M1  | 
 ||
| 
   LD  | 
  
   X2  | 
 ||
| 
   ANI  | 
  
   X5  | 
 ||
| 
   OUT  | 
  
   M2  | 
 ||
| 
   LD  | 
  
   M1  | 
 ||
| 
   OR  | 
  
   M2  | 
 ||
| 
   OUT  | 
  
   Y1  | 
 ||
| 
   END  | 
  
   | 
 ||
| 
   Den PLS- maskinen som du lager
  program på, har et lite antall utganger som du kan koble komponenter til.
  Prosessoren kan føle på disse utgangene, slik at du kan bruke dem som
  innganger i programmet ditt. Men en prosessor har mulighet til å føle på
  svært mange flere utganger enn de få som maskinen har terminaler til. Dette
  kan du utnytte når du lager programmet ditt. En utgang som ikke finnes,
  kaller vi for et merke.  Merkene kan programmeres som
  utganger. De kan settes, eller resettes. Så kan de brukes for å styre andre
  merker, eller en fysisk utgang. I den minste PLS-maskinen fra MITSUBISHI
  finnes det 60 slike merker. Se softvaremanualen for din egen maskin for å se
  hvor mange merker du har til rådighet.  | 
 |||