| 
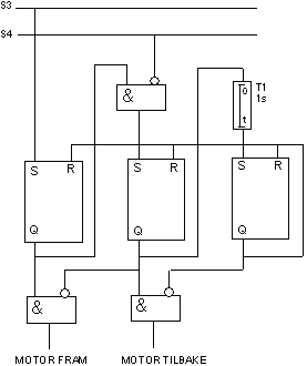
   PROGRAM nr. 4   MOTSTRØMBREMSE Det
  finnes forskjellige typer bremser som benyttes for elektriske motorer. Dersom
  det dreier seg om å få en maskin til å stoppe momentant, kan man for eksempel
  lage en motstrømsbremse. En slik bremse er bygget opp omkring en
  dreieretningsvender som kopler motoren i revers i så lang tid som maskinen
  trenger på å stoppe. Selve innstillingen av stopptiden justerer man når
  programmet prøves ut på den virkelige maskinen.  | 
 |
| 
   FUNKSJONSKJEMA.  | 
  
   FUNKSJONSPLAN  | 
 
| 
   
  | 
  
   
  |