| 
   OPPGAVE A4 
   BRUK AV MERKER Tips  | 
 ||||
| 
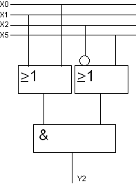
   Lag et program som kan
  realisere følgende kobling, og tegn koblinga som laderdiagram.  | 
 ||||
| 
   
       | 
  
   Add.  | 
  
   Opp.  | 
  
   Term.  | 
  
   Ladder.  | 
 
| 
   00  | 
  
   | 
  
   | 
  
   | 
 |
| 
   01  | 
  
   | 
  
   | 
 ||
| 
   02  | 
  
   | 
  
   | 
 ||
| 
   03  | 
  
   | 
  
   | 
 ||
| 
   04  | 
  
   | 
  
   | 
 ||
| 
   05  | 
  
   | 
  
   | 
 ||
| 
   06  | 
  
   | 
  
   | 
 ||
| 
   07  | 
  
   | 
  
   | 
 ||
| 
   08  | 
  
   | 
  
   | 
 ||
| 
   09  | 
  
   | 
  
   | 
 ||
| 
   10  | 
  
   | 
  
   | 
 ||
| 
   11  | 
  
   | 
  
   | 
 ||
| 
   12  | 
  
   | 
  
   | 
 ||
| 
   13  | 
  
   | 
  
   | 
 ||
| 
   14  | 
  
   | 
  
   | 
 ||
| 
   15  | 
  
   | 
  
   | 
 ||
| 
   16  | 
  
   | 
  
   | 
 ||
| 
   | 
  
   | 
  
   | 
 ||
| 
   | 
 ||||