OPPGAVE B2

BRUK AV MERKER. ( FLAGG)

Tips.: Merker.

 

 

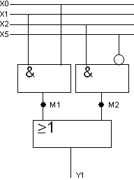
FUNKSJONSPLAN

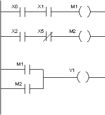
LADDERDIAGRAM

 

 

 

 

 

 

 

 

 

 

 

Fyll ut diagrammet når du prøver programmet. Send resultatet ditt til læreren.